1. 引言
独学而无友,则孤陋而寡闻。
本文以SURGE测试中通讯端口防护器件损坏为例,进行损坏机理分析、不同测试方法带来的影响分析、不同应用场景的测试方法选择,以及SURGE防护设计中的注意点等内容进行分析说明。
2. 背景介绍
某机车控制器的通讯端口进行±1KV等级的SURGE测试,出现通讯端口防护器件TVS管损坏情况。
3. 系统组网
组网:某机车控制器(EUT),通过CAN通讯线与AE设备连接,互连线长度10m;
测试端口:CAN端口,±1KV,阻抗42Ω;
端口防护说明:EUT侧CAN端口TVS管防护①;AE侧CAN端口TVS管防护②;EUT侧15V电源对地跨接电容C和TVS管③;AE侧对地无跨接防护④;
端口注入方法:断开与AE相连的CAN-H和CAN-L,但A-GND保持与AE设备相连。
接地说明:CAN参考地为A-GND,AE设备的通讯参考与电源的参考地为A-GND,AE由EUT的DC15V供电,DC15V的参考地为P-GND。测试组网如图1所示。

实验现象:在多次SURGE测试中发现, EUT端口TVS管被打坏,但并不是每次试验都能复现,试验次数越多,越容易复现。
4. TVS管损坏的机理分析
4.1 SURGE干扰的路径分析
CAN电路的参考地为A-GND,AE设备的电源参考地为A-GND ,EUT的15V电源地为P-GND,因EUT的DC15V给AE进行供电,使得A-GND与P-GND进行了互连,且P-GND对PE有跨接TVS管和电容,使得SURGE噪声沿着低阻抗路径流到大地。
SURGE噪声干扰路径:SURGE发生器→CDN的Zin→通讯TVS1管→通讯线地线Zline→电源地线Zline→对PE跨接电容C1和TVS3管→PE,如下图2所示。
4.2 SURGE噪声频谱分析
4.2.1 SURGE的波形
根据IEC 61000-4-5 2019标准中SURGE的典型开路电压波形参数为1.2/50us。参见图3所示:
图3 SURGE发生器开路电压波形
4.2.2 SURGE的频谱特性分析
IEC 61000-4-5中描述SURGE的BW带宽是指频域波形的下降沿斜率开始达到-60dB/十倍频程时的频率带宽。SURGE电压波形波前时间短,包含的频带较宽,SURGE的BW达到了2MHz,但主要能量集中在频率较低的频段,幅值频谱分析表明SURGE呈现低频特征(50KHz→-40dB),参见图4所示。

图4 Voltage surge (1,2/50 µs): spectral response with ∆f = 3,333 kHz
4.3 TVS 管损坏分析
4.3.1 TVS管损坏模式
TVS管损坏模式有两种:
(1)单次能量超过额定功率
TVS的标称功率是极短时间内对 TVS 施加的单次脉冲能量,施加的噪声波形能量大于额定功率时,会导致TVS管过流烧毁,呈现短路失效模式。
(2)积累的能量超过上限值
实际测试中施加的噪声波形通常是重复地出现,使得短时间积累的能量超过上限值,TVS管就会损坏,呈现短路失效模式。
4.3.2 TVS管中的SURGE电流分析
(1)TVS管参数对比
TVS1和TVS2管型号均为PESD1CAN,其Ipp为3A,20uf脉冲功率为200W,50us脉宽功率约为130W;TVS3管的型号为SD05C,其Ipp为24A,20uf脉冲功率为350W,50us的脉冲脉宽功率约为210W。TVS3的功率和通流能力优于TVS1。TVS参数表参见表1。
表1 TVS规格参数表
(2)噪声回路参数
根据图3的路径分析及表1参数表,可计算出回路阻抗参数参见下表2。
表2 回路阻抗参数
|
符号
|
参数
|
线路阻抗
(在TVS1管*.大.3A下进行计算)
|
含义
|
|
Zin
|
42Ω
|
2Ω差模+40Ω共模
|
信号线注入阻抗
|
|
Zline
|
3.1Ω
|
Zline=10m*1uH/m*2π*50KHz=3.1Ω
|
线路阻抗1uH/m
|
|
Zc1
|
32Ω
|
Zc1=1/(2π*50KHz*0.1uf=31.8Ω
|
对地跨接电容C1,噪声频率50KHz
|
|
ZTVS1
|
23.3Ω
|
ZTVS1=70V/3A=23.3Ω,型号PESD1CAN(NXP)
|
CAN电路保护TVS管
|
|
ZTVS3
|
2.7Ω
|
ZTVS3=8V/3A=2.7Ω,型号SD05C
|
对地跨接TVS
|
(3) 回路SURGE电流计算:
在TVS1管*.大.3A阻抗条件下计算分析:
Isurge=Vsurge/(Zin +ZTVS1// ZTVS1+2*Zline+Zc1//ZTVS3)=16A
在TVS1管短路失效条件下计算:
Isurge= Vsurge/(Zin +2*Zline+Zc1//ZTVS3)=19.7A
SURGE噪声在回路中的电流范围在16A~19.7A之间,流过CAN-H和CAN-L的TVS管电流各为8A-9.85(A)左右,超过了TVS1的*大Ipp(3A),但小于TVS3的Ipp(24A)。从计算分析可知,TVS1承受超额SURGE电流,有较大的损坏风险。
4.4 实验验证
4.4.1 TVS管阻抗测定
用万用表对TVS1和 TVS 3管进行实验前后的阻抗测定,参见表3。
在多次实验后,TVS1管的阻抗越来越小,*终失效短路。
表3 TVS管阻抗测定
|
TVS1
|
TVS3
|
|
试验次数
|
阻抗值
|
试验次数
|
阻抗值
|
|
实验前
|
开路
|
实验前
|
开路
|
|
一次SURGE实验
|
65Ω
|
一次SURGE实验
|
开路
|
|
二次SURGE实验
|
16Ω
|
二次SURGE实验
|
开路
|
|
三次SURGE实验
|
0.1Ω
|
三次SURGE实验
|
开路
|
4.4.2 SURGE实验波形抓取
SURGE实测噪声回路电流峰值19.2A,脉宽55.3us,CAN-H和CAN-L的TVS1管个分流9.6A,与理论计算相匹配,验证分析的准确性。实测波形参见图5。
图5 回路噪声电流
4.5 TVS管损坏的机理分析小结
(1)15V参考地P-GND与CAN的参考地A-GND连接到一起,使得SURGE噪声可以通过P-GND的对地跨接流到大地;
(2)SURGE的噪声带宽可达到2MHz,但一般能量集中在低频段50KHz左右;
(3)TVS管损损坏模式有两种,超额定或多次能量叠加导致的短路损坏,本文为典型超额定而导致的RVS管损坏。
(4)噪声回路的SURGE电流理论计算与实测相对应,结合理论计算可帮助产品在前期理论模型阶段的防护器件设计选型。
5. 从产品端解决方案分析
综合以上分析,从产品端解决CAN通讯口TVS管损坏问题,就是要改变噪声回路阻抗分布。方法有三种,参见表4。
表4 整改设计方法分析表
|
整改设计方法
|
可落地措施
|
备注
|
|
◆提高TVS管的耐流能力
|
将TVS1管替换成TVS3
|
结电容变大17pf→350pf,会影响通讯信号质量
|
|
◆提高P-GND与PE的阻抗
|
◆去掉对地跨接TVS管
◆将TVS管变为1MΩ电阻
|
地电位差防护变差
|
|
◆噪声回路的线路去耦
|
线路地线去耦
|
改变通讯地阻抗,有共地阻抗风险
|
6. 从测试端解决方案分析
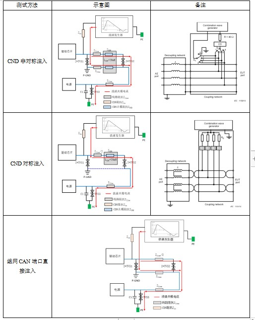
SURGE测试不同实验方法如下表5所示。
表5不同的测试方法
业界对CAN、485、232等通讯电路是否为平衡线对有不同的看法,导致使用不同的CDN,产生不同的测试结果。
(1) 对称线的定义:
差模到共模转换损耗大于20DB的平衡对线,一般由芯片厂家确定。
(2) CND非对称注入:
A-GND进行了去耦,老板标准中为20mH,50KHz阻抗为6.28KΩ,回路SURGE电流为约0.3A,TVS管正常工作。
(3) CND对称注入
标准中没有对A-GND是否连接进行说明,然而一般A-GND实验时时默认连接的,只对对称线线进行注入实验。
◆A-GND不接:SURGE回路噪声电流为0.15(A)左右。
◆A-GND接:与初始测试结果一直,无改善。
(4) 组网CAN端口直接注入
通过组网连接,使得AE设备对SURGE噪声电流分流,但每个TVS管子电流约为4.8A,超过*.大.Ipp,存在损坏风险。
综上对测试方法的说明,解决方案有二:
◆不接A-GND,进行CDN注入;
◆按照非对称进行注入;
7. 不同测试方法的应用分析
各企业在SURGE的非屏蔽通讯端口测试中,以IEC61000-4-5为基础,进行了各自的适应性测试方法改善。主要有三种方式,参见表6所示。
表6 SURGE 非屏蔽通讯端口测试方法
EMC测试要结合产品的实际应用场景,来定制适合的测试方法,才能真正的在设计端规避产品的使用风险,三种测试方法的应用场景如下:
① 利用CDN的共模阻抗,进行非组网的通讯端口注入测试
主要应用在低要求场合,只要防护器件不损坏就可以,如二次供水。
② 利用CDN的共模阻抗,进行组网的通讯端口注入测试
主要应用在高要求,考量系统对SURGE的抗扰性,而非单体产品本身,要求通讯不能出错,如生产线。
③ 按照标准推荐,将CDN串入通讯线中进行测试
将EUT与AE进行隔离,主要为认证测试的应用。
8. 思考与启示
(1) TVS管损坏原因为噪声回路阻抗过低,使得SURGE电流过大,TVS管超限值而损坏,可以选用功率大而结电容相对较小的TVS管;
(2) 增大对PE的阻抗,可以去掉跨接TVS管,或减小跨接电容,或串跨接电阻等方法,提升阻抗值,使得SURGE电压大部分加在跨接阻抗上;
(3) 产品设计要进行噪声路径分析和SURGE电流估算,指导阻抗分配与器件的选型。
需要结合产品的实际应用场景,来选择测试方法,不要完全照搬标准要求,而缺乏系统化分析。