车载摄像头的EMC案例分享
如今,车载摄像头已经不再仅仅是一个辅助设备,而是逐渐成为了智能驾驶系统中不可或缺的一部分。360度全景监控、行车记录仪以及自动驾驶辅助功能,车载摄像头的应用范围不断拓展,技术也在不断创.新。它能够识别道路标志、检测障碍物、监控驾驶员状态,甚至与其他车辆和交通设施进行通信。
下面分享一个关于车载摄像头的EMC问题案例。
下图为某款车载摄像头通过车载国标三辐射测试的数据,我们可以看到在48MHz到68MHz左右有一些杂乱的尖刺超标,142MHz到175MHz左右也有一些杂乱的尖刺超标。
由于客户的主机不在,我们只能使用电脑与摄像头模拟传输数据,所以该测试的组成为:电池12V、笔记本电脑、车载摄像头、以及网线和电源线。
使用的电池一般不存在辐射问题,因为它是通过化学能转化为电能进行释放能量。市面上大多数知名度较低品牌的笔记本电脑是有可能存在EMC辐射超标问题,而我们使用的是笔记本电脑是惠普的PROBOOK,我们日常使用该笔记本进行测试整改的时候发现该笔记本电脑是没有辐射超标问题的,所以我们把问题点定位在网络摄像头为辐射产生的源头。
该车载摄像头组成:sensor(传感器,采集外部环境物理信息转化为电信号)、SOC(对sensor输出的信息进行处理、计算以及控制)、多个DCDC模块(给各个功能器件进行供电)、网络变压器模块。
通常情况下,我们会在可能产生超标问题的位置使用频谱仪进行近场探测,但是由于电路板较小,近场探测无法准确探测到超标具体源头,于是我采用控制变量法,将各个DCDC模块拆除,使用直流源进行供电测试,发现噪声问题依然存在,没有改变。然后我将摄像头的网络变压器拆除,其它摆放和工作状态正常,发现测试频点不超标了,说明该噪声有可能是因为PHY芯片通过网络变压器与电脑传输数据时的路径过长导致超标。
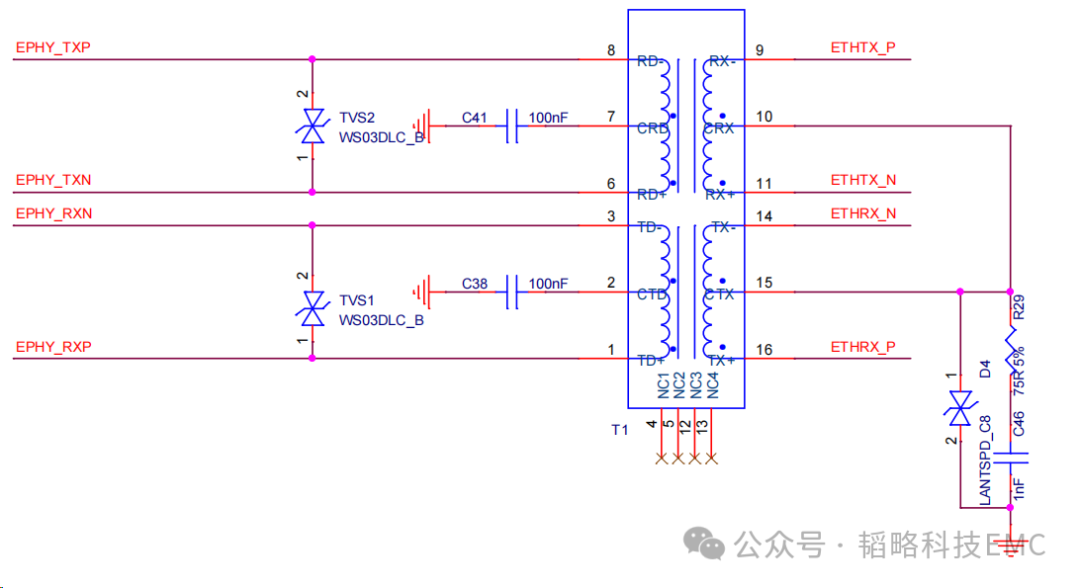
上图为电压型驱动的网络变压器,它由输入端线圈,输出端线圈和铁芯组成,当输入端线圈中通过电流时,会在铁芯中产生一个磁场,这个磁场会感应输出端线圈中的电流,从而实现电压和电流的变化。电压变化比例取决于输入端线圈和输出端线圈的匝数比。它通过将差模耦合和线圈耦合相结合的过滤器增强PHY传输的差分信号的数据传输,并将电磁场转换为不同电平连接线的另一端。其次,它隔离线连接到不同网络设备之间的不同电平,防止不同的电压通过网络线路传输,从而损坏设备。
(1)首先,我们可以看到原理图设计得并不合理,网络变压器的输出地与输入地是同一个网络标识符,说明这两个地之间并未进行隔离,这会形成地环路问题,使电流在不同的接地路径流动产生辐射问题;(2)其次,我们需要在网络变压器与PHY芯片之间的TX和RX差分信号中各串入一个共模滤波器TLCMI 2012-2-900TF;(3)*后,我们需要在网络变压器靠近电脑位置进行屏蔽,也就是使用带屏蔽的网线进行测试。如果想要节省带屏蔽的网线成本,我们也可以将网络变压器更换成内部带共模的网络变压器。通过第.一种方法整改后的测试数据如下图,我们可以看到噪声还是存在,但是已经可以通过测试,说明噪声的路径确实是网络变压器,而且措施也是非常有效的。
解决EMC问题,*根本的方法是要找到噪声的源头,但是有时候由于电路初始设计问题,我们无法从源头进行整改,这时候我们也可以从路径上入手整改,对噪声源头进行屏蔽、接地、滤波。
在本文中的案例分析中,我们就是通过工作原理排除非噪声源,然后通过控制变量法,找到可以降低噪声的路径,并且进行整改,从而解决辐射问题。